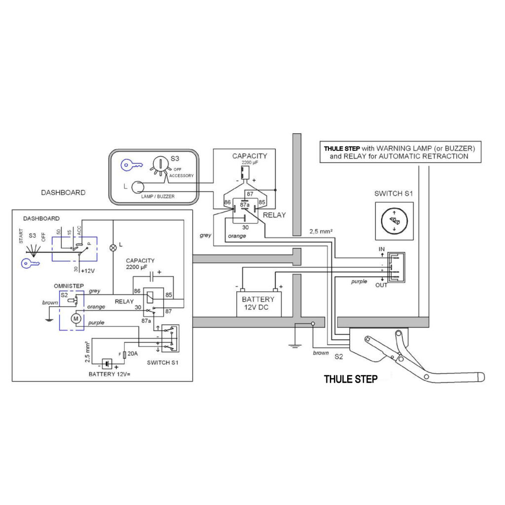
Thule Slide-Out Step G2 - Relé for Åpning/Lukking
Med et relé til Thule Slide-Out Step kan du koble det slik at trinnet automatisk trekkes inn når du starter motoren. Fjerner risikoen for å kjøre med utslått trinn under kjøring.
LES MERPasser til: Thule Slide-Out G2 12V & Thule Step 12V
Koble til et relé for Thule Slide-Out Step G2 eller Thule Step 12V for å automatisere innfellingen av trinnet når du starter motoren. Reléet øker sikkerheten ved å hindre at trinnet er ute under kjøring, samtidig som det gir ekstra bekvemmelighet. En smart og enkel løsning for tryggere reiser.
| Varumärke | Thule |
| Passar till | Thule Slide-Out Step G2 12V & Thule Step 12V |
Dette produktet har kun vurderinger, men ingen anmeldelser.









BESTILL I DAG, SÅ SENDER VI PÅ MANDAG
60 dagers åpent kjøp
Gratis frakt på bestillinger over 1000 kr